
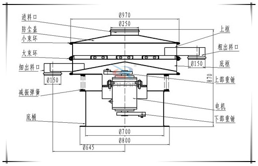
DH-1200-4S型篩分機為Φ1200型四層五個出料口不銹鋼振動篩,與物料接觸部分為304不銹鋼材質,底座部分為碳鋼材質,子母網分離式網架結構。

根據外形結構被部分客戶稱呼為圓形篩,從材質上分標準型旋振篩粉機和普通型旋振篩粉機的,標準型的與物料接觸部分為304不銹鋼材質,底座為碳鋼材質,普通型的通體為普碳鋼材質。DH-1200-4S型篩分機型號是從φ400-φ1800mm直徑,DH-1200-4S型篩分機價格根據材質和直徑大小、層數價格不同。


1、效率高、設計精巧耐用,精類、粘液均可篩分。
2、換網容易、操作簡單、清洗方便。
3、網孔不堵塞、粉末不飛揚、可篩至500目或0.028mm。
4、雜質粗料自動排出,可以連接作業。
5、獨特網架設計,篩網使用時間長久,換網快,只需3-5分鐘。
6、體積小,節省空間、移動方便。
7、篩網可以達到五層。

化工行業:樹脂、涂料、工業藥品、化妝品、油漆、中藥粉等。
食品行業:糖粉、淀粉、食鹽、米粉、奶粉、豆漿、蛋粉、醬油、果汁等。
金屬、冶金礦業:鋁粉、鉛粉、銅粉、礦石、合金粉、焊條粉末、二氧化錳、電解銅粉、電磁性材料、研磨粉、耐火材料、高嶺土、石灰、氧化鋁、重質碳酸鈣、石英砂等。
公害處理:廢油、廢水、染整廢水、助劑、活性碳等。



關鍵詞:篩分機,振動篩分機,振動篩

